双极晶体管
强茂通用型双极晶体管BC846~BC850系列
更新时间 2024-01-30 10:18
阅读
强茂BC846~BC850系列是一款PNP型的晶体管,其技术规格中的几个关键参数尤为引人注目,集电极-发射极电压VCE为-40V,集电极电流IC可达-200mA,以及发射极-基极电压为-40V。这些参数确保了它在不同电路环境下的稳定性和可靠性。
产品参数:

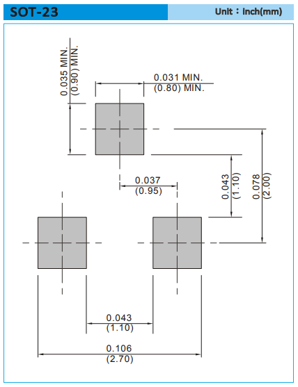
产品尺寸:

超毅电子提供全系列强茂通用型双极晶体管产品,无论您是追求高性能、小型化还是性价比,超毅电子都能给您找到合适的选择。
