双极晶体管
强茂通用型双极晶体管MMBTA92
更新时间 2024-01-30 10:18
阅读
在电子领域,PNP型晶体管是常用的元件之一,而MMBTA92则是其中的佼佼者。这款晶体管以其出色的性能在多种电路中都有广泛应用。
产品参数:

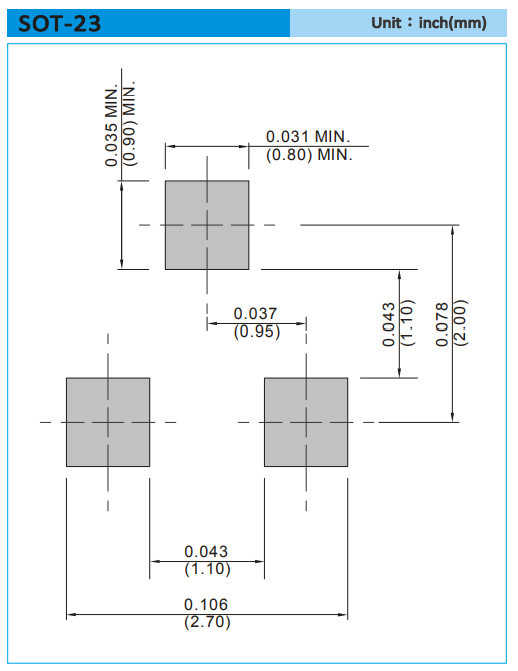
产品尺寸:

超毅电子提供全系列强茂通用型双极晶体管产品,无论您是追求高性能、小型化还是性价比,超毅电子都能给您找到合适的选择。
