碳化硅功率二极管
强茂碳化硅肖特基势垒二极管PCDF0865G1
更新时间 2024-01-25 14:07
阅读
产品介绍:
PCDF0865G1碳化硅肖特基势垒二极管,以其高导热性确保元件在高温下仍稳定工作,同时其高耐压、低导通电阻与高速特性,显著提升了电路的整体性能。这种材料不仅增强了元件的耐用性,还为高效能电路设计提供了新选择。
产品参数:


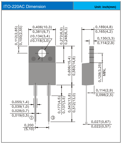
产品尺寸:

特点:
与温度无关的开关行为
高浪涌电流能力
额定电流下具有竞争力的VF 1.3V
低传导损耗
零反向恢复
结温高175℃
无铅,符合欧盟RoHS 2.0
符合IEC 61249标准的绿色模塑化合物
超毅电子提供全系列强茂碳化硅肖特基势垒二极管产品,无论您是追求高性能、小型化还是性价比,超毅电子都能给您找到合适的选择。
