产品资讯
亿光微型插件接收头IRM-6638T
更新时间 2019-05-16 15:57
阅读
亿光微型插件接收头IRM-6638T,IRM-6638T系列器件是EVERLIGHT研制成功的微型红外接收头,采用最新的集成电路技术设计。光电二极管和前置放大器被组装到金属引线框上,采用环氧树脂模压成型封装,同时作为红外滤光片。解调输出信号可由微处理器直接解码。无铅化制程,符合RoHS规范。

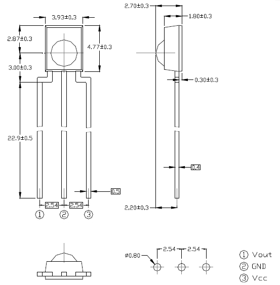
●接收头IRM-6638T外型尺寸极小,只有4.77*3.93*2.7mm,是同类型插件接收头中最小尺寸的规格,可适应与空间更小的产品设计与使用,其余特性如下:
高抗EMI能力.
圆形聚焦头封装,受光角度大(±50°),可适于多数的应用
驱动电压及低消耗功率(Vcc:2.7~5.5V驱动,最大消耗电流1.2mA)
可支持最小burst讯号长度:10cycles
可支持最小gap讯号长度:14cycles
可有效抑制TFT背光源干扰
接收距离长(中心接收距离大于14米,45°角接收距离大于6米)
输出低电位平均值0.2V,最大0.5V
输出高电位,最小值为Vcc-0.4V
高低电位的脉冲宽度为400~800us
6638T脉冲输出16638T脉冲输出2


包装规格:1500pcs/1盒,10盒/箱
Everlight超小型一体化红外接收头IRM-6638T适应的编码规格如下:
|
IRM-6638T |
JVC |
Matsushita |
Mitsubishi |
NEC |
RCMM |
RC5 |
RC6 |
RCS-80 |
|
No |
Yes |
No |
Yes |
No |
Yes |
Yes |
No |
|
|
Sharp |
Sony 12Bit |
Sony 15Bit |
Sony 20Bit |
Toshiba |
Zenith |
RCA |
Continuous Code |
|
|
Yes |
Yes |
No |
No |
Yes |
Yes |
No |
No |
●红外线接收头IRM-66xx系列规格如下:
|
遥控接收头型号 |
接收中心频率KHz |
|
IRM-6636M3 |
36 |
|
IRM-6638M3 |
38 |
|
IRM-6638T |
38 |
|
IRM-6640M2 |
40 |
●“红外线接收头”、"遥控接收头"IRM-6638T常用于:
1.光电开关设计
2.红外光遥控产品
3.影音电器产品
4.家电产品
5.无线控制产品
6.有线电视控制盒
7.多媒体设备

超毅电子专业从事电子元器件销售业务及提供电子元器件应用方案,专业工程人员根据用户生产产品特性,提供合适的应用电子元器件型号,以及样品测试,后续的应用技术支持。如有需要样品测试技术支持规格书资料等信息,请联系超毅电子。
