产品资讯
亿光推出新型小体积6Pin高速光耦ELS511、ELS611
更新时间 2020-03-10 15:13
阅读
近期各竞争对手的高速光耦系列产品普遍涨价20%以上,而亿光高速光耦的价格仍稳如泰山。这让许多应用终端们开始将视线转移到亿光高速光耦上来。正好近期亿光推出了小型化的6pin小体积光耦,下面我们就给大家做一下推荐。
亿光新推出2款6pin光耦,ELS511速率为1Mbit/s,ELS611速率为10Mbit/s。可对应亿光的6N136(1Mbit/s)以及6N137(10Mbit/s)系列。高速光耦常常在一些通信领域得到应用,比如各种现场总线接口卡、通信节点等,采用高速光耦能满足它们带宽、电气隔离的需求。
高速光耦的常用型号:
5-PinSOP:ELM452,ELM453
6-PinSDIP:ELS511,ELS611
8-PinDIP:6N136,6N137
高速光耦的实际应用:
1.高速光耦应用在空调控制板中:

推荐使用型号:
6-PinSDIP:ELS511,ELS611
8-PinDIP:6N136,6N137
2.高速光耦应用在驱动电源上:

推荐使用型号:
6-PinSDIP:ELS511,ELS611
8-PinDIP:6N136,6N137
8-PinSOP:EL0500
3.高速光耦应用于串行总线接口的隔离:

推荐使用型号:
6-PinSDIP:ELS511,ELS611
8-PinDIP:6N136,6N137
8-PinSOP:EL0500,EL0501
4.高速光耦应用于总线网络中的高速通讯:

推荐使用型号:
5-PinSOP:ELM452,ELM453
6-PinSDIP:ELS511,ELS611
8-PinDIP:EL2502,EL2503,
8-PinSOP:EL0500,EL0501,EL0630,EL0631,EL0611
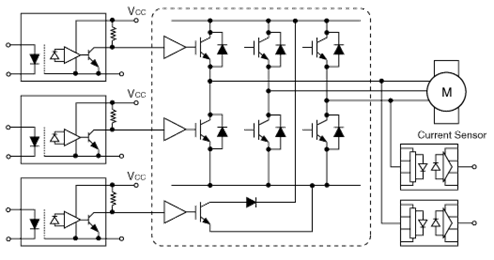
5.高速光耦应用于电机控制中,用作电流隔离电机线和控制集成电路,电机驱动控制的高速开关,比如IPM驱动/变频驱动:

推荐使用型号:
5-PinSOP:ELM452,ELM453
6-PinSDIP:ELS511,ELS611
8-PinDIP:6N136,6N137
8-PinSOP:EL0452,EL0453
