产品资讯
亿光光耦爬电距离有哪些规范
更新时间 2023-07-12 15:24
阅读
爬电距离是沿绝缘表面测得的两个导电零部件之间或导电零部件与设备防护界面之间的最短路径。CQC、UL、CSA和VDE安全标准强调了爬电距离的安全要求,这是为了防止器件间或器件和地之间打火从而威胁到人身安全。


光耦的爬电距离,一般有内部爬电距离和外部爬电距离之分。
1. 光耦内部爬电距离,是由光耦外壳内部绝缘体边沿最短间距决定。
2. 光耦外部爬电距离,是由光耦外壳外边沿最短间距决定,电极引脚的电气间隙大时,略可提升其外部爬电距离。
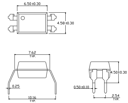
一般来说,亿光光耦EL817的外部爬电距离为>7.6mm,而长爬电距离就是指>8.0mm;亿光带M后缀的光耦,就是将发射和接收电极引脚的间距拉开,一般的光耦发射&输出两排电极引脚的间距>7.62mm,M后缀的光耦的发射&输出两排电极引脚的间距为Typ:10.16mm,即EL817M光耦的爬电距离就是指>8.0mm,以下是VDE认证的资料:

亿光其余光耦的爬电距离,按CQC认证资料,有如下图示多样规格光耦的外部爬电距离大于8.0mm。

亿光其余光耦的爬电距离,按CQC认证资料,有如下图示多样规格光耦的外部爬电距离大于8.0mm。

在选择亿光光耦时,如有爬电距离要求大于8.0mm,建议可参考以上选择
