产品资讯
亿光对射式光电开关在打印机的应用
打印机在许多家庭和办公室中都很常见。它们是用来打印文档,图片和其他内容的设备,广泛用于办公,教育和个人目的。近年来,随着技术的发展,打印机的功能也有了很大的提高,例如可以扫描,复印和发送电子邮件。因此,打印机在当今社会中仍然是一种重要的设备。

打印机光电开关作用
光电开关在打印机中是常见的。它们可用于监测打印机的许多关键部分,电开关不仅可用于监测纸张送入和纸张空间,它们还可以用于监测其他关键部分,例如打印机的碳带和墨盒是否正常工作,打印机的纸张定位器是否正常,打印机的扫描器是否正常工作,等等。所有这些都是确保打印机正常运作的关键因素。
通过使用光电开关,打印机可以更好地监测和管理其内部组件的工作状态,并确保打印机正常工作。这可以确保您的文档正确,高效地打印,并且可以避免纸张浪费和其他打印机故障的费用。
光电开关推荐
CY-T0705光电开关是一种广泛使用的光电开关,在打印机上的应用非常普遍。
其一些优点包括:
可靠性高:CY-T0705光电开关具有高可靠性,可以长期正常工作。
响应速度快:它具有快速响应速度,可以确保打印机内部的活动得到及时监测。
灵敏度高:它具有很高的灵敏度,可以精确地监测打印机内部的活动。
安装方便:它的安装非常方便,不需要特殊的技能和工具。
成本优势:相比其他类型的光电开关,CY-T0705具有成本优势,可以更经济地满足打印机的需求。
CY-T0705光电开关参数

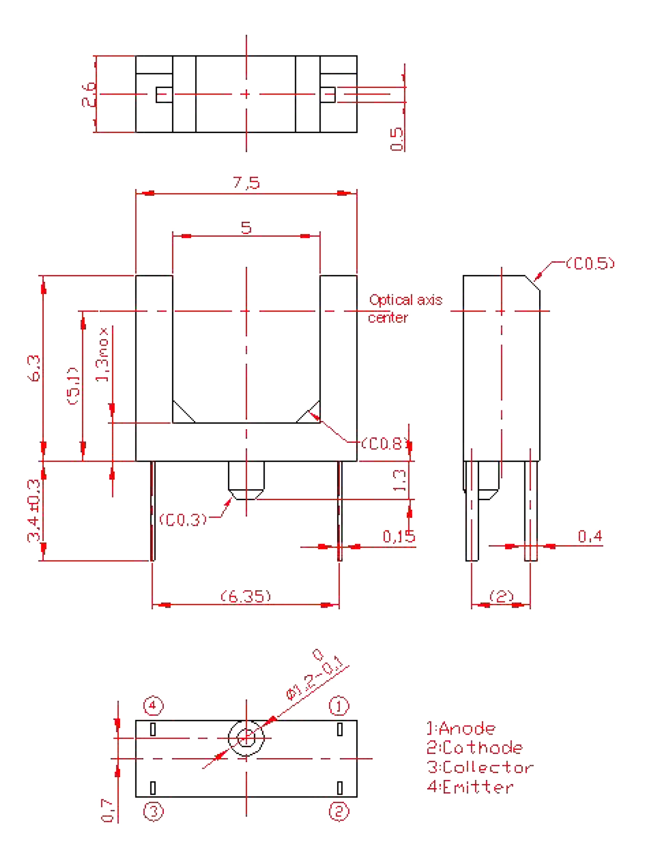
CY-T0705光电开关尺寸

因此,CY-T0705光电开关是在打印机上应用的一种很好的选择。它的高可靠性,快速响应速度,灵敏度高,安装方便和成本优势等优点,可以确保打印机正常工作,提高打印效率,并避免纸张浪费和其他故障费用。
如需CY-T0705光电开关,想要咨询或者了解型号的话,请联系我们吧。
