产品资讯
-
-
红外智能遥控器专用亿光元器件料号
Wi-Fi红外智能遥控器上的光电元器件有IR333C/H0/L10,IRM-56384,EL817/EL3H7,Lamps或者SMD贴片LED红、橙、黄、绿、蓝指示灯!...
-
-
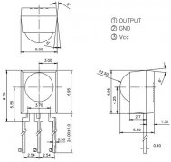
IRM-3638M2-X、IRM-3638N3-X可解连续码格式的接收头
亿光M系列(M、M2和M3)的主要差异,就在于遥控码格式的不同。Mtype特别适用于高数据量及短讯号的遥控码格式,像是数字机上盒(STB)等多媒体系统或键盘应用。...
-
-
空调专用光电元器件料号推荐
超毅小编来画重点:空调机上的光电元器件都有哪些?...
-
-
Wi-Fi红外智能遥控器上的光电元器件有哪些?
WiFi智能遥控器是通过wi-fi联网的智能遥控器,配合手机客户端,即可随时随地控制家里指定的电器,空调、电视、音箱、电视盒子、灯光设备。...
-
-
亿光红外线接收头IRM56384顶盒、扫地机专用料号
Everlight品牌一体化球头接收头内置铁壳屏蔽以增强抗干扰能力,接收距离远,性价比适中。...
